Циклон ЦН-15-900-4СП в Элисте

Цена с НДС:
719 000 рублей
Цена с НДС на циклон ЦН-15-900-4СП с доставкой в
от 719 000 рублей
Условия в
В наличии на складе
Доставка ТК по России и Казахстану
Безналичный расчет
Есть в наличии
Циклон ЦН 15 4УП
Циклон ЦН-15-4-УП
Промышленные циклоны ЦН 15 4УП - изготовление
Изготовление промышленных циклонов ЦН-15-4-УП
Пылеуловитель ЦН 15 4УП
Пылеуловители ЦН-15-4-УП
Производство промышленных циклонов ЦН 15 4УП
Производство циклонов ЦН-15-4-УП
Циклоны ЦН 15 4УП - изготовление
Изготовление циклонов ЦН-15-4-УП
Золоуловитель ЦН 15 4УП
Золоуловители ЦН-15-4-УП
Циклон ЦН 15 4УП
Промышленные циклоны ЦН 15 4УП - изготовление
Пылеуловитель ЦН 15 4УП
Производство промышленных циклонов ЦН 15 4УП
Циклоны ЦН 15 4УП - изготовление
Золоуловитель ЦН 15 4УП
Видеообзор
Производительность циклона от 22890 до 36625 м³/ч
Технические
характеристики
Описание
товара
Дополнительное
оборудование
Сертификаты
и гарантии

Технические характеристики циклона ЦН-15-900-4СП

Тип циклона Циклон ЦН 15
Вид ЦН 15-900
Марка ЦН-15-900-4СП
Массовая концентрация пыли в очищаемом газе, не более: для слабослипающихся пылей 1000 г/м³
Массовая концентрация пыли в очищаемом газе, не более: для среднеслипающихся пылей 250 г/м³
Температура рабочей среды до 400 °С
Коэффициент гидравлического сопротивления 195
Внутренний диаметр корпуса циклона ЦН 900 мм
Количество циклонов в группе 4 шт
Площадь сечения цилиндрической части корпуса (группы корпусов) 2.54 м²
Скорость 2.5-4 м/с
Рабочее сопротивление 804-2059 Па
Камера очищенных газов Есть
Вид камеры очищенных газов Газосборная камера
Количество камер очищенных газов 1
Вид пылесборного бункера Пирамидальный
Количество пылесборных бункеров 1 шт
Объем пылесборного бункера 5.29 м³
Размер пылевыгрузного окна бункера 300х300 мм
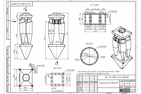
Размеры циклона ЦН (с учетом бункера): длина*ширина*высота 2140х2750х7273 мм
Масса блока циклонов 2490 кг
Производительность циклона от 22890 до 36625 м³/ч
Чертеж циклона ЦН-15-900-4СП
Циклон ЦН-15-900-4СП чертеж

Промышленный циклон ЦН-15-900-4СП в Элисте

Циклон ЦН 15 900 4СП предназначен для сухой очистки воздуха и газов от взвешенных частиц сухой пыли выделяющихся при сушке, обжиге, агломерации, а также в различных помольных и дробильных установках, при транспортировании сыпучих материалов, а также летучей золы при сжигании топлива. Циклон  применяется также для аспирации воздуха в различных отраслях промышленности - черной и цветной металлургии, химической, нефтяной и машиностроительной промышленности, промышленности строительных материалов, энергетике и т.д.

Циклон ЦН-15-900х4СП является пылеуловителем, который имеет достаточно простую конструкцию, не требует расходных материалов, а потому их эксплуатация достаточно дешева. Простота конструкции является причиной невысокой цены . Важно отметить, что циклон ЦН эффективно использовать для безотходного производства, так как некоторые виды пыли, что собраны этим пылеуловителем возможно подвергнуть переработке.

Принцип действия циклона

Принцип действия циклона ЦН-15-900 4СП следующий: поток запылённого газа вводится в циклон через входной патрубок тангенциально в верхней части. В аппарате формируется вращающийся поток газа, направленный вниз, к конической части аппарата. Вследствие силы инерции (центробежной силы) частицы пыли выносятся из потока и оседают на стенках аппарата, затем захватываются вторичным потоком и попадают в нижнюю часть, через выпускное отверстие в бункер для сбора пыли. Очищенный от пыли газовый поток затем двигается снизу вверх и выводится из циклона через соосную выхлопную трубу.

Конструкция циклона ЦН-15-900-4СП

Конструкция циклона ЦН 15 900-4СП рассчитана на температуру до 4000 °C и разряжение (давление) 5(500) кПа (кгс/м2). Циклоны  изготавливаются как левого, так и правого исполнения. Они могут устанавливаться как на всасывающей линии вентилятора, так и на нагнетании. В зависимости от этого одиночный циклон комплектуется с улиткой на выходе очищенного воздуха или зонтом. При очистке воздуха от абразивной пыли, вызывающей износ крыльчаток вентилятора, циклоны рекомендуется устанавливать перед вентилятором.

В зависимости от пропускной способности по воздуху (газу) и условий применения циклоны ЦН-15-900х4СП изготавливаются одиночного или группового исполнения - из двух, трех, четырех, шести и восьми циклонов. Групповые циклоны могут быть с камерой очищенного воздуха в виде "улитки" или в виде сборника, а одиночные - только с улиткой.

В группе циклонов патрубки с выходом очищенного воздуха могут объединяться сборным коллектором с выходом воздуха вертикально и системой улиток каждого циклона, объединенных общим фланцем.

Обозначение циклона ЦН-15-900-4СП

  • ЦН - циклон НИИОгаза;
  • 15 - угол наклона входного патрубка относительно горизонтали (град.);
  • П, Л - "Правое" ("Левое") вращение газа;
  • число после тире (300) - внутренний диаметр цилиндрической части циклона (мм);
  • следующая цифра (2) - количество циклонов в группе;
  • С - с камерой очищенного воздуха в виде сборника";
  • П - пирамидальная форма бункера.

Циклоны ЦН-15, в зависимости от требований предъявляемых к очистке газа, могут иметь либо самостоятельное применение, либо использоваться в качестве агрегатов первой или второй ступеней очистки, в сочетании с другими газоочистными агрегатами.

Технические характеристики циклона ЦН-15-900-4СП

  • Массовая концентрация пыли в очищаемом газе, г/м3:

для слабослипающихся пылей до 1000 


для среднеслипающихся пылей 250

  • Температура очищаемого газа, 0 °C до 400
  • Давление, кПа до 5
  • Коэффициент гидравлического сопротивления циклонов:

для одиночного исполнения 147


для группового исполнения 
с "улиткой" 175 


В технической характеристике циклона ЦН приведены значения производительности, отнесенные к скорости в цилиндрической части циклона V=2,5 и 4,0 м/с. В обычных условиях оптимальной считается скорость 4,0 м/с. Скорость 2,5 м/с рекомендуется принимать при работе с абразивной пылью.

Циклон ЦН может изготавливаться во взрывобезопасном исполнении (конструктивно предусмотрены взрывные клапана, и бункер имеет минимальные размеры во избежание накопления взрывоопасной пыли).

Материал для изготовления циклона ЦН-15-900 4СП - углеродистая сталь при температуре окружающей среды до 40 °С. При температуре ниже -40 °С применяют низколигированные стали.


Циклоны ЦН-15-900-4СП поставляются в разобранном виде.

Габаритные и присоединительные размеры циклона ЦН 15-900-4СП

Наименование L B H H1 H2 H3 D D1 E
Циклон ЦН 15-900-4СП 1904 2324 7130 4408 - 1560 900 530 1700

Наименование F a b L1 L2
B
B1
Масса, кг
Циклон ЦН 15-900-4СП 2150 994 604 1070 1047 300 440 3330

Купить циклон ЦН-15-900-4СП в Элисте

Для того чтобы купить циклон ЦН-15-900-4СП в Элисте вы можете сделать заявку в отдел сбыта по телефону 8-800-700-06-43, либо оформить заказ онлайн. Инженеры-консультанты дадут консультацию и рассчитают стоимость доставки. Транспортирование может осуществляться автотранспортом, ж/д полувагонами и речным транспортом.

Дополнительное оборудование циклона ЦН-15-900-4СП

Мигалка затвор
Затвор-мигалка
17000 руб. с НДС

Сертификаты и гарантии циклона ЦН-15-900-4СП

Сертификат для золоуловителей
Сертификат на золоуловители

Отзывы о продукции

Другая похожая продукция

581 000 ₽
423 000 ₽
760 000 ₽
366 000 ₽
361 000 ₽
237 000 ₽